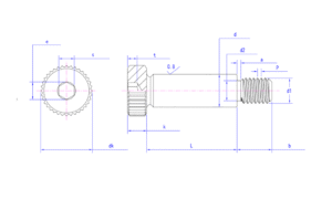
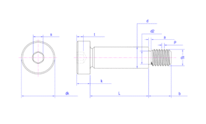
ISO 7379 Hexagon Socket Shoulder Screws are precision fasteners with a cylindrical shoulder for accurate component location and alignment. They feature a hexagonal drive for high torque transmission and a threaded section for secure fastening. Manufactured from high-strength steel, these screws are essential for applications requiring precise pivot points, axles, or spacers in assemblies.

Unit:mm


Unit:inch









