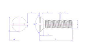
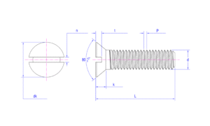
Slotted countersunk flat head machine screw are precision fasteners designed to be used with pre-tapped threads or in conjunction with nuts,The single straight slot is for a flat-blade screwdriver. Made typically of steel, it ensures secure fastening in precision machinery and metal assemblies.

Unit:mm



Unit:inch









