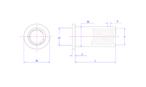
Flat head rivet nuts provide strong, threaded inserts in thin materials. They create a strong thread in thin sheets of material for high strength fastening from bots and other threaded articles. They are easy-to-install.reliable fateners that can provide a strong load-bearing thread into thin materials.

Unit:mm








