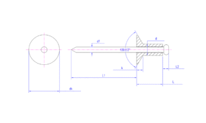
Open-end countersunk head blind rivet features a hollow mandrel and split sleeve. Upon installation, the mandrel head expands the sleeve, forming a wide, flush countersunk head on one side and a tight, blind-side bulge for secure fastening in through-hole applications.

Unit:mm








