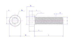
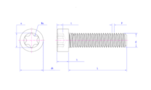
Precision-engineered to ISO14579 standards, The internal Torx drive allows for high torque application and installation in confined spaces. they provide excellent corrosion resistance and reliable performance for demanding industrial, automotive, and machinery applications.

Unit:mm


Unit:inch









