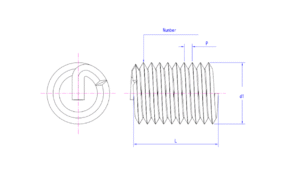
Thread inserts, also known as wire inserts or helicoils, are precision-formed wire coils installed into tapped holes. They provide a durable, wear-resistant internal thread, significantly strengthening the base material and allowing for repeated assembly and disassembly of bolts or screws.

Unit:mm









