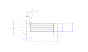
Rivets for name plate, These solid rivets for signage offer permanent fastening solutions. Made from durable materials like aluminum or steel, they provide high shear strength. Their simple hammer-installation ensures reliable, vibration-resistant connections for long-lasting sign performance.

Unit:mm








