Hollow wall anchors, also known as cavity fixings, provide secure fastening in drywall or plasterboard where there is no solid backing. These anchors distribute weight behind the hollow surface, preventing pull-out and ensuring a reliable, load-bearing hold for items like shelves and cabinets.

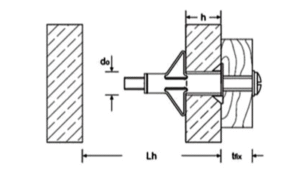
Unit:mm








