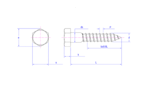
Hexagonal wood screws are a type of fastener specially designed for high-strength connections between wood and wood or between metal parts and wood. Its core features lie in the huge hexagonal head and the wood threads with extremely strong meshing ability.

Unit:mm


Unit:inch








