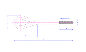
Anchor bolts are used for the base fixation of equipment and components. After burying the hooked end in the concrete foundation, the equipment base is tightened with a nut. They have the characteristics of stable connection, strong load-bearing capacity, and suitability for the installation of heavy-duty facilities.

Unit:mm








评价
目前还没有评价