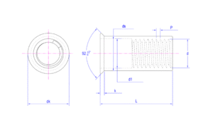
Countersunk head rivet nut provides a flush surface after installation. It is internally threaded for reliable bolt fastening. This fastener is ideal for applications requiring a smooth finish and strong load-bearing capacity in sheet materials.

Unit:mm








